熱門關鍵詞:
 
                                在細川阿爾派(Alpine)和歐米亞(Omya)集團成功經驗的基礎上,我們開發出了三種不同的連續式表面包覆系統:針盤磨包覆系統、渦流磨包覆系統和轉子磨包覆系統。
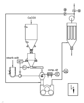
該連續式粉體表面包覆改性系統是在消化吸收德國技術的基礎上設計制造的中國設備,可用于多種粉體的表面改性,如碳酸鈣粉末(重質、沉淀)、高嶺土、滑石、云母、石墨、硫酸鋇、白炭黑、氫氧化鎂、氧化鋅、氧化鋁等,該系統適宜于多種固體、液體改性劑,如鋁酸鹽偶聯劑、鈦酸鹽偶聯劑、硅烷偶聯劑和硬脂酸。
15762271767
碳酸鈣粉末表面處理-通稱為“碳酸鈣顆粒包覆”系統,適用于PVC或其他塑料生產用填料的加工。 石灰石粉末或重質碳酸鈣(GCC)細度 d97: 35微米至 5微米,沉淀的碳酸鈣(PCC)細度d50 < 0.1微米.
該加工過程的重要目標是在加工中改性劑在碳酸鈣粉末中的均衡完全分布。改性劑的添加量(重量比例)在重質碳酸鈣改性產品中占0.4- 1.4%,在沉淀碳酸鈣改性產品中占5%。為了使這極少量的改性劑能均衡供給大量的碳酸鈣粉末,需要將改性劑溶解再與碳酸鈣粉末混合。主要用天然或合成的蠟(如硬脂酸)作為改性劑。
原理及特點:通過3個轉子的相對運動來改變氣旋渦流等作用實現對粉體表面包覆。不需加熱裝置,投資省,運行成本低。


詳細技術參數請咨詢青島優明科客服
 
                        
                    
                         全國服務熱線
                            全國服務熱線